Elektr motori 3CV 4 orollari. Beivolt iP55 Yl100l1 Lynus
8489000.0 so'm
Transport to'lovi:Bepul etkazib berish Sotish:3bo'lak Mukofot:0integral
Tafsilotlar



Tavsif

4p bitta fazali elektr motor 3.0hp iP44 yl100l1-4 lynus

Elektr motor 4 Yagona qutblar 3.0hp iP44 yl100l1-4 00011268.1 Lynus
Kompressorlar, metallar, muxlislar, uy-joy, yog'och, yasalgan beton, burg'ulashlar uchun mos keladi.
Himoya darajasi: ABNT NBR 60529 va IEC 60034-5 bo'yicha IP 44 iP
Chang va suv chayqalishi bilan qo'llaniladigan ajoyib tanlov;
Konstruktiv shakl: ABNT / IEC 60034-7-ga ko'ra B3T. O'rnatishning ulanish oynasi o'rnatishni osonlashtiradi;
Izolyatsiya: b (130C);
Tana go'shti: ABNT NBR 15623-1 va IEC 60072-1 xabariga ko'ra;

Texnik ma'lumotlar:
Model: Yl100L1-4
Rang: mot qora
Kod: 00011268.1
Quvvat (kVt) (CV): 2.0 | 3.0
Kuchlanish (V) (Notomokratik): 127/220
Tana go'shti: 100L
N tirgovlar: 4 tirgak
Aylanish (RPM): 1755
Freq. (Hz): 60
Xizmat faktori (FS): 1.15
220V: 14.0 da nominal oqim
Nominal moment (N.M): 11.8
Boshlash / nominal (n.m): 2.1
Maksimal / nominal (n.m): 2.6
Maks vaqti.

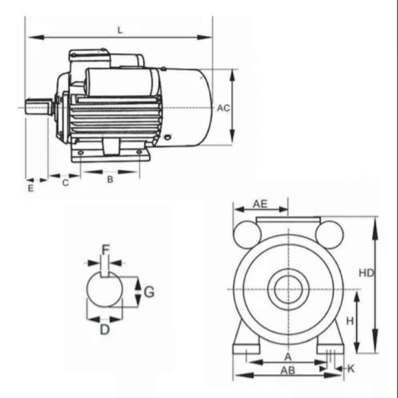
Qarablar:
Javob: 160, B: 140, d: 19.05, 19.05, E: 57.1, F: 976, g: 16,1, K: 1
AB: 205, AC: 220, AE: 130, HD: 260, L: 432.9
Oldindan podshipniklar: 6206 2rs

Brend: Lynus
Rek: 00011268.1

* Adabiy tasvirlar.




Savatga qo'shing Hozir xarid qilish

Elektr motori 3CV 4 orollari. Beivolt iP55 Yl100l1 Lynus

8489000.0 so'm

Raqam sotib olinadi:
Savatga qo'shing Hozir xarid qilish
Ekranning rasmini bosib ushlab turing yoki oling,Do'stlar bilan bo'lishish uchun
Kuponlar oling